Công tác chế biến, tiêu thụ và sử dụng xỉ hạt lò cao tại Công ty CP Tập đoàn Hòa Phát (P2)
Công ty CP Tập đoàn Hòa Phát hiện có 2 khu Liên hợp gang thép tại Kinh Môn - Hải Dương và Dung Quất – Quảng Ngãi, trong đó Khu liên hợp gang thép Hải Dương đã sản xuất ổn định và hàng năm tạo ra 0,75 triệu tấn xỉ hạt lò cao; Khu liên hợp gang thép Dung Quất đang được xây dựng và đến đầu năm 2019 sẽ đi vào hoạt động, hàng năm sẽ có thêm 1,85 triệu tấn xỉ hạt lò cao. Tổng cộng từ năm 2020 Tập đoàn Hòa Phát sẽ có 2,6 triệu tấn xỉ hạt lò cao/năm.
>> Công tác chế biến, tiêu thụ và sử dụng xỉ hạt lò cao tại Công ty CP Tập đoàn Hòa Phát (P1)
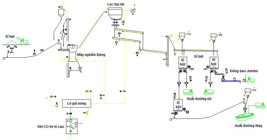
3. Chế biến xỉ hạt lò cao tại Thép Hòa Phát Hải Dương
Kết quả nghiên cứu đánh giá khả năng nghiền của xỉ hạt lò cao so với clanhke và đá bazal, từ năm 2004 tại Viện VLXD, cho thấy xỉ hạt lò cao là khó nghiền nhất trong tất cả các vật liệu có trong hỗn hợp nghiền xi măng, nó khó nghiền hơn đá bazal, gần gấp đôi so với clanhke và gấp 1,2 lần so với cát thạch anh [13]. Điều này dẫn đến hệ quả là khi nghiền chung các hạt clanhke đã được nghiền quá mịn trong khi phần hạt thô còn lại chủ yếu là xỉ lò cao. So sánh việc nghiền riêng với nghiền lẫn, các tác giả [9] đã chỉ ra rằng việc nghiền đồng thời dẫn đến làm tăng các hạt clanhke trong phần mịn hơn và các hạt xỉ trong phần thô hơn, phân bố cỡ hạt của xi măng xỉ nghiền lẫn là hẹp hơn so với phân bố cỡ hạt của xi măng Portland tham chiếu.
Vì những lý do nêu trên và thực hiện chủ trương xử lý, chế biến sâu tại chỗ nhằm giảm hơn 10% khối lượng ẩm phải vận chuyển đi xa và tận dụng nguồn nhiệt thừa của sản xuất gang thép, Công ty CP Tập đoàn Hòa Phát đã đầu tư 1 dây chuyền chế biến xỉ hạt lò cao tại KLH gang thép Hòa Phát Hải Dương (hiện nay giao Công ty CP Năng lượng Hòa Phát quản lý vận hành).
Sơ đồ công nghệ chế biến xỉ hạt lò cao như hình 3, hình ảnh thiết bị, sản phẩm mẫu như hình 4 và chất lượng sản phẩm như bảng 2.
3. Chế biến xỉ hạt lò cao tại Thép Hòa Phát Hải Dương
Kết quả nghiên cứu đánh giá khả năng nghiền của xỉ hạt lò cao so với clanhke và đá bazal, từ năm 2004 tại Viện VLXD, cho thấy xỉ hạt lò cao là khó nghiền nhất trong tất cả các vật liệu có trong hỗn hợp nghiền xi măng, nó khó nghiền hơn đá bazal, gần gấp đôi so với clanhke và gấp 1,2 lần so với cát thạch anh [13]. Điều này dẫn đến hệ quả là khi nghiền chung các hạt clanhke đã được nghiền quá mịn trong khi phần hạt thô còn lại chủ yếu là xỉ lò cao. So sánh việc nghiền riêng với nghiền lẫn, các tác giả [9] đã chỉ ra rằng việc nghiền đồng thời dẫn đến làm tăng các hạt clanhke trong phần mịn hơn và các hạt xỉ trong phần thô hơn, phân bố cỡ hạt của xi măng xỉ nghiền lẫn là hẹp hơn so với phân bố cỡ hạt của xi măng Portland tham chiếu.
Vì những lý do nêu trên và thực hiện chủ trương xử lý, chế biến sâu tại chỗ nhằm giảm hơn 10% khối lượng ẩm phải vận chuyển đi xa và tận dụng nguồn nhiệt thừa của sản xuất gang thép, Công ty CP Tập đoàn Hòa Phát đã đầu tư 1 dây chuyền chế biến xỉ hạt lò cao tại KLH gang thép Hòa Phát Hải Dương (hiện nay giao Công ty CP Năng lượng Hòa Phát quản lý vận hành).
Sơ đồ công nghệ chế biến xỉ hạt lò cao như hình 3, hình ảnh thiết bị, sản phẩm mẫu như hình 4 và chất lượng sản phẩm như bảng 2.



Hình 4: Máy nghiền đứng 3 con lăn công suất 115 t/h và sản phẩm mẫu
Bảng 2: Một số chỉ tiêu chất lượng của Xỉ hạt lò cao nghiền mịn (GGBS)

4. Sử dụng Xỉ hạt lò cao nghiền mịn làm phụ gia cho xi măng
Nghiên cứu ảnh hưởng của xỉ hạt lò cao nghiền mịn đến các tính chất cơ lý của xi măng khi thay thế 20-70% xi măng PC50 [13] cho thấy:

Ở điều kiện nhiệt độ đóng rắn tiêu chuẩn (27oC) cường độ chịu nén của xi măng ở các tuổi sớm 1 và 3 ngày giảm khá nhanh khi tăng tỷ lệ % GGBS trong xi măng, tuy nhiên sau 7 ngày thì cường độ giảm không nhiều và đến 28 ngày thì cường độ nén đã đuổi kịp hoặc thậm chí cao hơn so với xi măng PC50 gốc, mặc dù hàm lượng GGBS thay thế cho xi măng đã tăng đến 50 - 60%. Đây chính là ưu điểm vượt trội của xỉ hạt lò cao nghiền mịn so với các loại phụ gia khoáng khác đang được sử dụng trong xi măng như tro bay, puzolan, bazal, đá vôi, đá đen... Nhờ có đặc điểm này xi măng pha 30 - 60% GGBS sẽ là loại xi măng thích hợp cho bê tông khối lớn cần đóng rắn chậm và tỏa nhiệt thấp.
Kết quả nghiên cứu cho thấy sự linh hoạt trong việc sử dụng GGBS làm phụ gia để sản xuất xi măng pha xỉ hạt lò cao theo công nghệ nghiền riêng bằng cách trộn thêm GGBS vào xi măng PC50 ngay sau khi nghiền, từ đó có thể sản xuất được nhiều chủng loại xi măng khác nhau. Công nghệ này đã được áp dụng tại Nhà máy xi măng Thành Công 1 – Hải Dương để sản xuất xi măng hỗn hợp bền sun phát, xi măng ít tỏa nhiệt, xi măng xỉ, xi măng PCB40, xi măng xây trát MC25… Bằng công nghệ này nhà máy đã tăng thêm 30% sản lượng mà không cần phải đầu tư thêm máy nghiền. Dưới đây là một số hình ảnh ở Nhà máy xi măng Thành Công1.

(Còn nữa)
ximang.vn - TS. Mai Văn Thanh



