Các hệ thống phát điện theo chu trình Kalina trong các ứng dụng tận dụng nhiệt thừa (P2)
Trong bài viết này, các cơ hội khôi phục năng lượng hữu ích từ các nguồn nhiệt cấp thấp khác nhau được xem xét trong điều kiện các lợi thế mà công nghệ Chu trình Kalina mang lại.
>> Các hệ thống phát điện theo chu trình Kalina trong các ứng dụng tận dụng nhiệt thừa (P1)
>> Các hệ thống phát điện theo chu trình Kalina trong các ứng dụng tận dụng nhiệt thừa (P2)
>> Các hệ thống phát điện theo chu trình Kalina trong các ứng dụng tận dụng nhiệt thừa (P3)
>> Các hệ thống phát điện theo chu trình Kalina trong các ứng dụng tận dụng nhiệt thừa (P4)
>> Các hệ thống phát điện theo chu trình Kalina trong các ứng dụng tận dụng nhiệt thừa (P5)
Kinh nghiệm vận hành
Canoga Park: Canoga Park là nhà máy phát điện quy mô lớn đầu tiên được đưa vào vận hành sử dụng Chu trình Kalina và đã được xây dựng với sự hỗ trợ của Bộ Năng lượng Mỹ (DoE) để chứng minh công nghệ này. Trong cấu hình ban đầu nguồn năng lượng là nhiệt thừa của một nhà máy thử nghiệm thiết bị sinh hơi hạt nhân. Khi nhiệt thừa không có sẵn, nhiệt thải từ một tua-bin khí đã được sử dụng để thay thế. Thiết bị này đã đi vào vận hành được tất cả hơn 5 năm (1992 – 1997) với độ tin cậy tốt và đã vận hành được tổng cộng 10.000 giờ. Thách thức vê nguyên liệu chính duy nhất đó là với các vành làm kín khuất khúc cho tua-bin hơi, mà đã được chế tạo từ nickel nguyên chất theo lời khuyên của nhà sản xuất. Hiệu suất của tua-bin hơi là rất thoả đáng, cho dù các vật liệu của kết cấu nhìn chung đều là các hợp kim nickel cơ bản do số liệu hạn chế có sẵn trong thời gian đó đối với việc sử dụng các vật liệu trong các môi trường ammonia-nước ở nhiệt độ và áp suất cao của thiết bị này. Các điều kiện chất lỏng tiết lưu của tua-bin là 515oC và áp suất là 110 bara và công suất phát điện của chu trình giai đoạn cuối cùng là khoảng 3MW với lượng điện dư thừa sẽ được bán cho đơn vị tiêu dùng ở địa phương. Là một nhà máy phát điện theo chu trình kết hợp, Canoga Park đã đạt được mức công suất phát điện khoảng 6,5 MW.
Tua-bin hơi là một thiết bị hướng trục thông thường có 15 tầng dựa vào công nghệ tua-bin thường được sử dụng cho các ứng dụng truyền động cơ học. Mức lưu lượng khối tương đối thấp với áp suất điều chỉnh 110 bara đòi hỏi tốc độ tua-bin vào khoảng 14000 vòng/phút. Một bộ giảm tốc được sử dụng để khớp nối tua-bin với một máy phát cảm ứng 1800 vòng/phút.
Fukuoka:
Kết cấu của thiết bị này, mà cũng được xem như là một thiết bị mới, đã được Bộ Thương mại Quốc tế và Công nghiệp Nhật Bản (MITI) trợ cấp đồng thời là thiết bị thiêu huỷ rác đầu tiên sử dụng Chu trình Kalina. Kết quả là đã đạt được hiệu suất lớn hơn 20% so với các thiết bị tương tự khác thuộc loại này.
Thiết bị đã sinh lợi từ công nghệ thiêu huỷ tích hợp đã được Công ty Ebara của Nhật Bản thiết lập trong nhiều năm nay. Nhà máy có công suất 4,5MW đã đốt cháy 200 tấn rác thải thành thị/ngày, sản sinh ra một lượng khí thải ở nhiệt độ xấp xỉ 90oC cho thu hồi nhiệt thừa.
Các điều kiện điều chỉnh của tua-bin là 293oC và 43 bara. Các thử nghiệm trên diện rộng đã được tiến hành trong giai đoạn khoảng 2 năm vận hành thành công và đã đáp ứng được toàn bộ các yêu cầu mục tiêu đặt ra của người sử dụng. Nhà máy đã dừng hoạt động vào cuối giai đoạn thử nghiệm và đã đạt được toàn bộ các mục tiêu của mình.
Kashima Works (Sumitomo Metals): Nhà máy phát điện theo Chu trình Kalina được thi công lắp đặt tại công trình Kashima của công ty thép Sumitomo là ứng dụng thương mại đầu tiên của Chu trình Kalina và đã phát được 3,5MW điện trong hơn một thập kỷ vận hành thành công. Trong trường hợp này, nhiệt thừa của quá trình luyện thép chính là nguồn năng lượng và các thông số điều chỉnh của tua-bin là 236oC và 31 bara.
Thiết bị đã hoàn thành tốt việc thử nghiệm hiệu quả hoạt động của nhà máy trong mùa thu năm 1999 và luôn được vận hành với tính sẵn sàng cao. Các số liệu sẵn có hàng năm của nhà máy đã được xác nhận nằm trong phạm vi 97% - 99%.
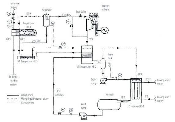
Husavik: Nhà máy Địa nhiệt Husavik ở Iceland bắt đầu đi vào vận hành trong năm 2000 sử dụng một lưu lượng nước muối ở nhiệt độ 121oC cung cấp 80% yêu cầu điện của thị trấn nhỏ này. Chất lỏng làm việc là 82% ammonia - nước với áp suất 34 bara. Trong thiết bị bay hơi, hỗn hợp ammonia - nước được bay hơi từng phần với 75% hơi và 25% chất lỏng và phần hơi được tách ra khỏi phần chất lỏng trong thiết bị phân tách.
Các chi tiết của quá trình, các thủ tục khởi động và các số liệu hiệu suất ban đầu được trình bày trong tài liệu và một sơ đồ lưu lượng chỉ ra mặt bằng của nhà máy được thể hiện ở Hình 2.

Hình 2: Sơ đồ lưu lượng của Nhà máy Địa nhiệt tại Husavik Iceland
Sau 15 tháng thử nghiệm hiệu suất vận hành được thực hiện trong tháng 11/2001. Các kết quả thử nghiệm được tổng hợp trong Bảng 2. Kể cả với nhiệt độ nước muối là 3oC thấp hơn nhiệt độ thiết kế (mà cao đáng kể căn cứ vào tính nhiệt động học của hệ thống), nhà máy vẫn sản xuất được ~1,7 MW điện, hoàn thành tốt yêu cầu thử nghiệm hiệu suất của nhà máy.
Vài năm sau các khó khăn vận hành đã phát sinh với thiết bị này và một chuỗi các sự cố mất điện của nhà máy đã xảy ra. Trong khi có một số nguyên nhân dẫn đến độ tin cậy tương đối kém, có hai yếu tố chính, được Recurrent Engineering và các công ty khác xác định rõ, mà đã gây ảnh hưởng lớn tới hiệu suất hoạt động không thoả đáng. Đó là:
● Kiểm soát chất lượng nước kém hiệu quả và đã không phù hợp với tài liệu hướng dẫn vận hành của OEM.
● Thiết bị không được tẩy sạch bằng a-xit trước khi cung cấp dịch vụ theo khuyến cáo của nhà cung cấp. Điều này có nghĩa là các mảnh vụn của các quá trình gia công chế tạo đã không được tẩy bỏ. Cùng với các yếu tố này có khả năng phải tính đến các khó khăn sau này phát sinh trong quá trình vận hành nhà máy. Các lỗi cánh tua-bin giãn nở (Xem Hình 3) cụ thể đã xuất hiện đặc tính ăn mòn/mài mòn do hạt hoặc giọt nước.
Hiện tại nhà máy, mà hiện thuộc quyền sở hữu của Recurrent Engineering, đang được cải tạo lại với kế hoạch chạy lại dự kiến vào cuối năm 2012.
Fuji Oil: Đi vào vận hành trong năm 2005, nhà máy phát điện tận dụng nhiệt thừa công suất 4MW Fuji Oil sử dụng nhiệt lấy từ hai nguồn, một nguồn hơi nhẹ hydrocarbon và nguồn hơi có áp thấp của dự án chuyển đổi nhiệt thừa thành điện năng trong nhà máy lọc dầu Fuji ở Chiba, Nhật Bản. Dự án là sự kết hợp thành công lần đầu tiên công nghệ phát điện tận dụng nhiệt thừa với công nghệ xử lý hydrocarbon của Eureka. Nhiệt độ của nhiệt thừa đạt 118oC và nhà máy đã vận hành liên tục kể từ khi khởi động đến nay với tính sẵn sàng đạt gần 100% giữa các lần cắt điện theo kế hoạch.
Người ta đã dự đoán rằng cùng với các thiết bị tại Công trình Kashima và tại Fuji Oil đã đóng góp 60GWh mỗi năm mà nếu không sẽ phải lấy nguồn điện từ lưới điện.
SSNE, Quingshui: Nhà máy thử nghiệm chứng minh địa nhiệt kép này nằm ở khu địa nhiệt ở bắc Đài Loan và thuộc quyền sở hữu của Shanghai Shenghe New Energy Resources Science and Technology Ltd (SSNE).
Thiết bị đã được lắp đặt để chứng minh Chu trình Kalina trong ứng dụng này với Viện Khoa học Quốc gia và với chính quyền địa phương. Nguồn nhiệt là một giếng nhiệt có nhiệt độ thấp cùng với nhiệt độ chất lỏng địa nhiệt là 110oC. Nhà máy đã đi vào vận hành và đã được thử nghiệm trong những tháng đầu năm 2011.
Shanghai Expo: Chu trình Kalina duy nhất đã được cấp cho Shanghai Shenghe New Energy Re¬sources Science and Technology Co Ltd (SSNE), Trung Quốc, đã xây dựng nhà máy phát điện theo Chu trình Kalina bằng nhiệt năng lượng mặt trời đầu tiên trên thế giới tại Shanghai World Expro (Triển lãm Thế giới ở Thượng Hải) 2010.
SSNE đã lắp đặt các bộ gia nhiệt nước bằng năng lượng mặt trời thông thường trên mái của Gian hàng triển lãm Công ty Triển lãm có diện tích 3000m2. Thiết bị đã tận dụng được 90 – 95% nước và đã phát được xấp xỉ 50kW điện cho đến khi được tháo dỡ lúc kết thúc sự kiện.
Theo bài dịch của Nguyễn Kim Lan - CCID
MD Mirolli, Recurrent Engineering LLC & TB Gibbons,
Consultant in materials technology
>> Các hệ thống phát điện theo chu trình Kalina trong các ứng dụng tận dụng nhiệt thừa (P2)
>> Các hệ thống phát điện theo chu trình Kalina trong các ứng dụng tận dụng nhiệt thừa (P3)
>> Các hệ thống phát điện theo chu trình Kalina trong các ứng dụng tận dụng nhiệt thừa (P4)
>> Các hệ thống phát điện theo chu trình Kalina trong các ứng dụng tận dụng nhiệt thừa (P5)
Kinh nghiệm vận hành
Canoga Park: Canoga Park là nhà máy phát điện quy mô lớn đầu tiên được đưa vào vận hành sử dụng Chu trình Kalina và đã được xây dựng với sự hỗ trợ của Bộ Năng lượng Mỹ (DoE) để chứng minh công nghệ này. Trong cấu hình ban đầu nguồn năng lượng là nhiệt thừa của một nhà máy thử nghiệm thiết bị sinh hơi hạt nhân. Khi nhiệt thừa không có sẵn, nhiệt thải từ một tua-bin khí đã được sử dụng để thay thế. Thiết bị này đã đi vào vận hành được tất cả hơn 5 năm (1992 – 1997) với độ tin cậy tốt và đã vận hành được tổng cộng 10.000 giờ. Thách thức vê nguyên liệu chính duy nhất đó là với các vành làm kín khuất khúc cho tua-bin hơi, mà đã được chế tạo từ nickel nguyên chất theo lời khuyên của nhà sản xuất. Hiệu suất của tua-bin hơi là rất thoả đáng, cho dù các vật liệu của kết cấu nhìn chung đều là các hợp kim nickel cơ bản do số liệu hạn chế có sẵn trong thời gian đó đối với việc sử dụng các vật liệu trong các môi trường ammonia-nước ở nhiệt độ và áp suất cao của thiết bị này. Các điều kiện chất lỏng tiết lưu của tua-bin là 515oC và áp suất là 110 bara và công suất phát điện của chu trình giai đoạn cuối cùng là khoảng 3MW với lượng điện dư thừa sẽ được bán cho đơn vị tiêu dùng ở địa phương. Là một nhà máy phát điện theo chu trình kết hợp, Canoga Park đã đạt được mức công suất phát điện khoảng 6,5 MW.
Tua-bin hơi là một thiết bị hướng trục thông thường có 15 tầng dựa vào công nghệ tua-bin thường được sử dụng cho các ứng dụng truyền động cơ học. Mức lưu lượng khối tương đối thấp với áp suất điều chỉnh 110 bara đòi hỏi tốc độ tua-bin vào khoảng 14000 vòng/phút. Một bộ giảm tốc được sử dụng để khớp nối tua-bin với một máy phát cảm ứng 1800 vòng/phút.
Fukuoka:
Kết cấu của thiết bị này, mà cũng được xem như là một thiết bị mới, đã được Bộ Thương mại Quốc tế và Công nghiệp Nhật Bản (MITI) trợ cấp đồng thời là thiết bị thiêu huỷ rác đầu tiên sử dụng Chu trình Kalina. Kết quả là đã đạt được hiệu suất lớn hơn 20% so với các thiết bị tương tự khác thuộc loại này.
Thiết bị đã sinh lợi từ công nghệ thiêu huỷ tích hợp đã được Công ty Ebara của Nhật Bản thiết lập trong nhiều năm nay. Nhà máy có công suất 4,5MW đã đốt cháy 200 tấn rác thải thành thị/ngày, sản sinh ra một lượng khí thải ở nhiệt độ xấp xỉ 90oC cho thu hồi nhiệt thừa.
Các điều kiện điều chỉnh của tua-bin là 293oC và 43 bara. Các thử nghiệm trên diện rộng đã được tiến hành trong giai đoạn khoảng 2 năm vận hành thành công và đã đáp ứng được toàn bộ các yêu cầu mục tiêu đặt ra của người sử dụng. Nhà máy đã dừng hoạt động vào cuối giai đoạn thử nghiệm và đã đạt được toàn bộ các mục tiêu của mình.
Kashima Works (Sumitomo Metals): Nhà máy phát điện theo Chu trình Kalina được thi công lắp đặt tại công trình Kashima của công ty thép Sumitomo là ứng dụng thương mại đầu tiên của Chu trình Kalina và đã phát được 3,5MW điện trong hơn một thập kỷ vận hành thành công. Trong trường hợp này, nhiệt thừa của quá trình luyện thép chính là nguồn năng lượng và các thông số điều chỉnh của tua-bin là 236oC và 31 bara.
Thiết bị đã hoàn thành tốt việc thử nghiệm hiệu quả hoạt động của nhà máy trong mùa thu năm 1999 và luôn được vận hành với tính sẵn sàng cao. Các số liệu sẵn có hàng năm của nhà máy đã được xác nhận nằm trong phạm vi 97% - 99%.
Husavik: Nhà máy Địa nhiệt Husavik ở Iceland bắt đầu đi vào vận hành trong năm 2000 sử dụng một lưu lượng nước muối ở nhiệt độ 121oC cung cấp 80% yêu cầu điện của thị trấn nhỏ này. Chất lỏng làm việc là 82% ammonia - nước với áp suất 34 bara. Trong thiết bị bay hơi, hỗn hợp ammonia - nước được bay hơi từng phần với 75% hơi và 25% chất lỏng và phần hơi được tách ra khỏi phần chất lỏng trong thiết bị phân tách.
Các chi tiết của quá trình, các thủ tục khởi động và các số liệu hiệu suất ban đầu được trình bày trong tài liệu và một sơ đồ lưu lượng chỉ ra mặt bằng của nhà máy được thể hiện ở Hình 2.

Hình 2: Sơ đồ lưu lượng của Nhà máy Địa nhiệt tại Husavik Iceland
Sau 15 tháng thử nghiệm hiệu suất vận hành được thực hiện trong tháng 11/2001. Các kết quả thử nghiệm được tổng hợp trong Bảng 2. Kể cả với nhiệt độ nước muối là 3oC thấp hơn nhiệt độ thiết kế (mà cao đáng kể căn cứ vào tính nhiệt động học của hệ thống), nhà máy vẫn sản xuất được ~1,7 MW điện, hoàn thành tốt yêu cầu thử nghiệm hiệu suất của nhà máy.

Vài năm sau các khó khăn vận hành đã phát sinh với thiết bị này và một chuỗi các sự cố mất điện của nhà máy đã xảy ra. Trong khi có một số nguyên nhân dẫn đến độ tin cậy tương đối kém, có hai yếu tố chính, được Recurrent Engineering và các công ty khác xác định rõ, mà đã gây ảnh hưởng lớn tới hiệu suất hoạt động không thoả đáng. Đó là:
● Kiểm soát chất lượng nước kém hiệu quả và đã không phù hợp với tài liệu hướng dẫn vận hành của OEM.
● Thiết bị không được tẩy sạch bằng a-xit trước khi cung cấp dịch vụ theo khuyến cáo của nhà cung cấp. Điều này có nghĩa là các mảnh vụn của các quá trình gia công chế tạo đã không được tẩy bỏ. Cùng với các yếu tố này có khả năng phải tính đến các khó khăn sau này phát sinh trong quá trình vận hành nhà máy. Các lỗi cánh tua-bin giãn nở (Xem Hình 3) cụ thể đã xuất hiện đặc tính ăn mòn/mài mòn do hạt hoặc giọt nước.
Hiện tại nhà máy, mà hiện thuộc quyền sở hữu của Recurrent Engineering, đang được cải tạo lại với kế hoạch chạy lại dự kiến vào cuối năm 2012.
Fuji Oil: Đi vào vận hành trong năm 2005, nhà máy phát điện tận dụng nhiệt thừa công suất 4MW Fuji Oil sử dụng nhiệt lấy từ hai nguồn, một nguồn hơi nhẹ hydrocarbon và nguồn hơi có áp thấp của dự án chuyển đổi nhiệt thừa thành điện năng trong nhà máy lọc dầu Fuji ở Chiba, Nhật Bản. Dự án là sự kết hợp thành công lần đầu tiên công nghệ phát điện tận dụng nhiệt thừa với công nghệ xử lý hydrocarbon của Eureka. Nhiệt độ của nhiệt thừa đạt 118oC và nhà máy đã vận hành liên tục kể từ khi khởi động đến nay với tính sẵn sàng đạt gần 100% giữa các lần cắt điện theo kế hoạch.
Người ta đã dự đoán rằng cùng với các thiết bị tại Công trình Kashima và tại Fuji Oil đã đóng góp 60GWh mỗi năm mà nếu không sẽ phải lấy nguồn điện từ lưới điện.
SSNE, Quingshui: Nhà máy thử nghiệm chứng minh địa nhiệt kép này nằm ở khu địa nhiệt ở bắc Đài Loan và thuộc quyền sở hữu của Shanghai Shenghe New Energy Resources Science and Technology Ltd (SSNE).
Thiết bị đã được lắp đặt để chứng minh Chu trình Kalina trong ứng dụng này với Viện Khoa học Quốc gia và với chính quyền địa phương. Nguồn nhiệt là một giếng nhiệt có nhiệt độ thấp cùng với nhiệt độ chất lỏng địa nhiệt là 110oC. Nhà máy đã đi vào vận hành và đã được thử nghiệm trong những tháng đầu năm 2011.
Shanghai Expo: Chu trình Kalina duy nhất đã được cấp cho Shanghai Shenghe New Energy Re¬sources Science and Technology Co Ltd (SSNE), Trung Quốc, đã xây dựng nhà máy phát điện theo Chu trình Kalina bằng nhiệt năng lượng mặt trời đầu tiên trên thế giới tại Shanghai World Expro (Triển lãm Thế giới ở Thượng Hải) 2010.
SSNE đã lắp đặt các bộ gia nhiệt nước bằng năng lượng mặt trời thông thường trên mái của Gian hàng triển lãm Công ty Triển lãm có diện tích 3000m2. Thiết bị đã tận dụng được 90 – 95% nước và đã phát được xấp xỉ 50kW điện cho đến khi được tháo dỡ lúc kết thúc sự kiện.
Theo bài dịch của Nguyễn Kim Lan - CCID
MD Mirolli, Recurrent Engineering LLC & TB Gibbons,
Consultant in materials technology
Theo Tạp chí Thông tin KHCN-Vicem



